Hydraulic Control Unit, Removing and Installing
Note
Removing
- Place the vehicle on a lift.
- Lower the back section of the exhaust system just a little and secure it. If necessary remove the back section of the exhaust system.
Note
A second technician is needed to help remove the rear section of the exhaust system.
- If equipped, remove the bolts -arrows- and remove the wiring harness bracket -1- from the rear final drive.
Note
Mark the Oil Pressure/Temperature Sensor and the Clutch Valves connectors -2-.
- Disconnect the connectors -2- from the Oil Pressure/Temperature Sensor and the Clutch Valves.
- Disconnect the connector -4- from the All Wheel Drive Pump -V415-.
- Unclip the wiring harness -3- from the final drive and the subframe and tie it up -5 through 7-.
- Place the Drip Tray under the rear final drive.
- Drain the ATF from the rear final drive. Refer to → Chapter "ATF on Rear Final Drive 0BF and 0BE, Draining".
- Drain the gear oil from the rear final drive. Refer to → Chapter "Gear Oil on Rear Final Drive 0BF and 0BE, Draining".
- Remove the All Wheel Drive Pump -V415-. Refer to → Chapter "All Wheel Drive Pump -V415-, Removing and Installing".
Note
The All Wheel Drive Pump -V415- must be removed in order to loosen and tighten the nut on the right line to the hydraulic control unit.

- Loosen the left -6- and right -7- lines to the hydraulic control unit -1- one turn -arrows A- and remove them from the chambers -arrows B-.
- Remove the bolts -2 through 5- and remove the hydraulic control unit -1- with the seal.

Installing
Note
Follow all safety precautions exactly when replacing the hydraulic control unit. Install the "old" sensors again if possible. Refer to → Chapter "Safety Precautions and Test Procedures".
Conditions
Attach the hydraulic control unit -1- to the rear final drive as follows:
First install the lines -6 and 7- into the chambers hand-tight -arrows B-.
Then install the bolts -2 through 5- hand-tight. One bolt -2- has a permanent seal on the head. Coat the thread with Sealing Compound -D 176 501 A1-.
Tighten the M8 x 30 bolts -2 through 5- to the tightening specification in the sequence: -4, 2, 5 and 3-.
Tighten the nuts -A arrows- and -B arrows- on the left -6- and right -7- lines to the tightening specification.
- Install the All Wheel Drive Pump -V415-. Refer to → Chapter "All Wheel Drive Pump -V415-, Removing and Installing".

- Install the wiring harness -3- to the final drive and subframe -5 through 7-.
- Connect the connectors -4 and 2-. Pay attention to the marks made during the removal, that identify the allocation to the Oil Pressure/Temperature Sensor and which connectors go to the Clutch Valves.
- If equipped, position the wiring harness bracket -1- on the rear final drive and tighten the bolts -arrows- to the tightening specification. Make sure the wiring harness -3- does not get pinched.

Note
- Fill the rear final drive with gear oil and then check the level. Refer to → Chapter "Gear Oil Level in Rear Final Drive 0BF and 0BE, Checking".
- Fill with ATF in the rear final drive and check the ATF level. Refer to → Chapter "ATF Level in Rear Final Drive 0BF and 0BE, Checking".
- Install the rear section of the exhaust system and align it so it is free of tension.

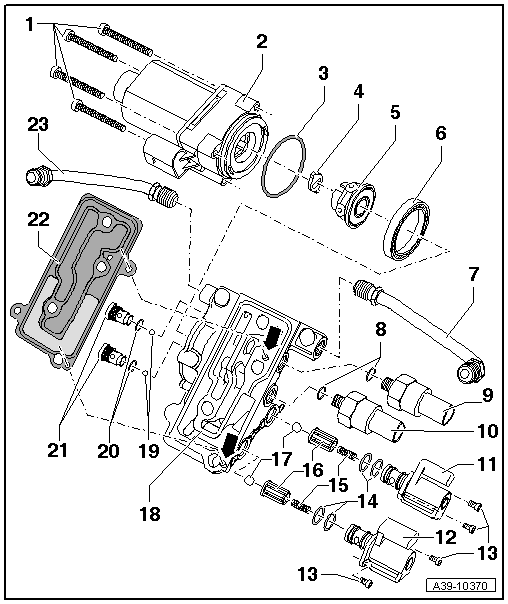
Hydraulic Control Unit, Disassembling and Assembling

1 - Bolt
2 - All Wheel Drive Pump -V415-
3 - O-Ring
4 - Adapter
Note
5 - Hydraulic Pump
6 - Ball Bearing
7 - Left Line
8 - O-Ring
9 - Oil Pressure/Temperature Sensor -G437-
10 - Oil Pressure/Temperature Sensor 2 -G640-
11 - All Wheel Drive Clutch Valve 2 -N446-
Caution
Do not interchange with the All Wheel Drive Clutch Valve -N445-.
12 - All Wheel Drive Clutch Valve -N445-
Caution
Do not interchange with the All Wheel Drive Clutch Valve 2 -N446-.
13 - Bolt
14 - O-Ring
15 - Pressure Spring
16 - Guide
17 - Ball
18 - Hydraulic Control Unit Housing
19 - Ball
20 - O-Ring
21 - Shuttle Valve
22 - Gasket
23 - Right Line
Assembling the Hydraulic Pump
- Install the six pistons -A- in the housing -B-.
- Install the guiding ring -C- so that the piston touches the collar -arrow-.

- Insert the hydraulic pump -1- with the guide ring -2- in the in the hydraulic control unit housing.
Function Test
- Turn the hydraulic pump -1- several times. While doing so pay attention to the following:

Removing and Installing the Shuttle Valves
Note
Remove the All Wheel Drive Pump -V415-, hydraulic pump and ball bearing -item 6- beforehand.
- Remove the shuttle valves -A-. Always remove the ball -C- as well.
- Insert the ball into the hole in the shuttle valve when installing.
- Install the shuttle valve all the way with a new O-ring -B-.
- Tighten the shuttle valve to the tightening specification -item 21-.

All Wheel Drive Pump -V415-, Removing and Installing
Special tools and workshop equipment required
Note
Removing
- Place the vehicle on a lift.
- Place the Drip Tray under the rear final drive.
- Disconnect the connector -1- from the All Wheel Drive Pump -V415--2-.
- Remove the four bolts that connect the All Wheel Drive Pump -V415- to the hydraulic control unit using the Hex Ball Socket -T10058-.
- Carefully remove the All Wheel Drive Pump -V415--2-. Pay close attention to the adapter -item 4- inside the hydraulic pump while doing this.
Note

Installing
- Install the All Wheel Drive Pump -V415- with the coupling -C- in the adapter -B-.

- Diagonally tighten the four bolts on the All Wheel Drive Pump -V415--2- to the tightening specification -item 1-.
- Connect the connector -1- to the All Wheel Drive Pump -V415-.
- Fill with ATF in the rear final drive. Refer to → Chapter "ATF on Rear Final Drive 0BF and 0BE, Filling".

Oil Pressure/Temperature Sensor -G437- or Oil Pressure/Temperature Sensor 2 -G640-, Removing and Installing
Special tools and workshop equipment required
Important Safety Precautions
Note
Removing
- Place the vehicle on a lift.
- Lower the back section of the exhaust system just a little and secure it.
- Remove the wiring harness bracket from the rear final drive, if necessary.
- Disconnect the connector -1- from the Oil Pressure/Temperature Sensor 2 -G640- and the connector -2- from the Oil Pressure/Temperature Sensor -G437-.
Note
Disconnect connectors -3 and 4- if necessary.
- Place the Drip Tray under the rear final drive.

- Remove the Sensor with the Socket - 27mm -T40218-.
-A- = Oil Pressure/Temperature Sensor 2 -G640- black connector
-B- = Oil Pressure/Temperature Sensor -G437- brown connector

Installing
- Install the new Sensor with a new O-ring -arrow- and tighten to the tightening specification -item 9- or -item 10-.
-A- = Oil Pressure/Temperature Sensor 2 -G640- black connector
-B- = Oil Pressure/Temperature Sensor -G437- brown connector

- Disconnect the connector -1- on the Oil Pressure/Temperature Sensor 2 -G640- and the connector -2- on the Oil Pressure/Temperature Sensor -G437-.
Note
Connect connectors -3 and 4- if they were disconnected earlier.
- Attach the wiring harness bracket to the rear final drive if it was removed earlier.
- Connect the Vehicle Diagnostic Tester and switch on the ignition.
- On the Vehicle Diagnostic Tester select the function 22 - Control Module, Replacing under Guided Functions in the directory 22 - Adapt Sensor.
"Adapt" the new sensor to the All Wheel Drive Control Module -J492- with the Vehicle Diagnostic Tester.
Note
A system check will take place when the 22 - Sensor Programing function is complete. If malfunctions appear, then use "Guided Fault Finding" to correct them.
- Fill with ATF in the rear final drive. Refer to → Chapter "ATF on Rear Final Drive 0BF and 0BE, Filling".
- Attach the rear section of the exhaust system to the body and align it so that it is free of tension.

All Wheel Drive Clutch Valve -N445- or All Wheel Drive Clutch Valve 2 -N446-, Removing and Installing
Special tools and workshop equipment required
Note
Caution
Malfunctions on the rear final drive.
Do not confuse the All Wheel Drive Clutch Valve -N445- component location with the All Wheel Drive Clutch Valve 2 -N446- component location.
Removing
- Place the vehicle on a lift.
- Lower the back section of the exhaust system just a little and secure it.
- Remove the wiring harness bracket from the rear final drive.
Note
- Disconnect the connector -3- from the All Wheel Drive Clutch Valve 2 -N446- and the connector -4- from the All Wheel Drive Clutch Valve -N445-.
- Place the Drip Tray under the rear final drive.

- Remove the bolts -1- from each of the Clutch Valves using the Hex Socket - 4mm -T10370-.
- Carefully pry out the Clutch Valve with a flat blade screwdriver -3-. Be careful of the pressure spring when doing this. The pressure spring could fall out of the opening in the hydraulic control unit -6-.
-A- = All Wheel Drive Clutch Valve 2 -N446- identification color brown
-B- = All Wheel Drive Clutch Valve -N445- identification color black

Installing
- Coat the O-rings with ATF and install the new Clutch Valve with the new O-rings -arrows-.
- Tighten the bolts -1- evenly until stop by hand. Then tighten to the tightening specification -item 13-.
Further installation is performed in the reverse order of the removal. Note the following.

Note
- Attach the wiring harness bracket to the rear final drive.
- Fill with ATF in the rear final drive. Refer to → Chapter "ATF on Rear Final Drive 0BF and 0BE, Filling".
- Attach the rear section of the exhaust system to the body and align it so that it is free of tension.

Torque Displacement, Checking
Special tools and workshop equipment required
Procedure
Note
After the following work the function 22- Checking the torque displacement must be performed:
- Lift the vehicle on a hoist just far enough until the wheels are no longer touching the floor.
- Connect the Vehicle Diagnostic Tester and switch on the ignition.
- On the Vehicle Diagnostic Tester select the function 22 - Control Module, Replacingunder Guided Functions in the directory 22 - Adapting Torque Displacement.
Use the Vehicle Diagnostic Tester to check if the torque is stored for the correct side when the rear final drive is activated.
Rear Final Drive, Removing and Installing
Gear Oil and ATF, in Rear Final Drive
Flange Shaft Seals, Replacing, Rear Final Drive Removed
Securing child seats
Left/Right Headlamp Beam Adjustment Motor -V48-/-V49-, Removing and
Installing